| 
 | 
    
        
          
              
                  | 
                  | 
               
              
                
                    
                      
	
  
  
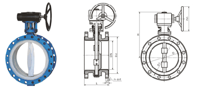
    | 名称:氟衬里蝶阀 | 
   
  
  
  | 
   
  
    产品介绍:  【产品用途】 
氟衬里蝶阀适用于各种不同类型工业管道中液体和气体(包括蒸 气)的输送,特别是具有严重腐蚀性介质的使用场合,如:硫酸、氢氟酸、磷酸、氯气、强碱、王水等具有强腐蚀性的介质 
主要外形和连接尺寸 
| 
 DN (mm)  | 
NPS (inch) | 
 L  | 
 D  | 
D1 | 
D2 | 
F | 
B | 
N-?D | 
W | 
D0 | 
H | 
WT(kg) |  
| PN0.6MPa |  
| 40 | 
1 1/2 | 
106 | 
130 | 
100 | 
80 | 
3 | 
16 | 
4-?14 | 
160 | 
  | 
140 | 
10 |  
| 50 | 
2 | 
108 | 
140 | 
110 | 
90 | 
3 | 
16 | 
4-?14 | 
200 | 
  | 
160 | 
12 |  
| 65 | 
2 1/2 | 
112 | 
160 | 
130 | 
110 | 
3 | 
16 | 
4-?14 | 
250 | 
  | 
160 | 
13 |  
| 80 | 
3 | 
114 | 
185 | 
150 | 
125 | 
3 | 
18 | 
4-?18 | 
250 | 
  | 
170 | 
14 |  
| 100 | 
4 | 
127 | 
205 | 
170 | 
145 | 
3 | 
18 | 
4-?18 | 
300 | 
  | 
180 | 
16 |  
| 125 | 
5 | 
140 | 
235 | 
200 | 
175 | 
3 | 
20 | 
8-?18 | 
300 | 
  | 
275 | 
18 |  
| 150 | 
6 | 
140 | 
260 | 
225 | 
200 | 
3 | 
20 | 
8-?18 | 
  | 
200 | 
295 | 
38 |  
| 200 | 
8 | 
152 | 
315 | 
280 | 
255 | 
3 | 
22 | 
8-?18 | 
  | 
200 | 
320 | 
74 |  
| 250 | 
10 | 
250 | 
370 | 
335 | 
310 | 
3 | 
24 | 
12-?18 | 
  | 
240 | 
385 | 
105 |  
| 300 | 
12 | 
270 | 
435 | 
375 | 
362 | 
4 | 
24 | 
12-?23 | 
  | 
240 | 
390 | 
142 |  
| 350 | 
14 | 
290 | 
485 | 
445 | 
412 | 
4 | 
26 | 
12-?23 | 
  | 
240 | 
460 | 
179 |  
| 400 | 
16 | 
310 | 
535 | 
495 | 
462 | 
4 | 
28 | 
16-?23 | 
  | 
280 | 
510 | 
220 |  
| 450 | 
18 | 
330 | 
590 | 
550 | 
518 | 
4 | 
28 | 
16-?23 | 
  | 
280 | 
540 | 
268 |  
| 500 | 
20 | 
350 | 
640 | 
600 | 
568 | 
4 | 
30 | 
16-?23 | 
  | 
320 | 
570 | 
378 |  
| 600 | 
24 | 
390 | 
755 | 
705 | 
670 | 
5 | 
30 | 
20-?25 | 
  | 
320 | 
660 | 
608 |  
| 700 | 
28 | 
430 | 
860 | 
810 | 
775 | 
5 | 
32 | 
24-?25 | 
  | 
360 | 
710 | 
1050 |  
| 800 | 
32 | 
470 | 
975 | 
920 | 
880 | 
5 | 
34 | 
24-?30 | 
  | 
360 | 
780 | 
1320 |  
| 900 | 
36 | 
510 | 
1075 | 
1020 | 
980 | 
5 | 
36 | 
24-?30 | 
  | 
380 | 
885 | 
1795 |  
| 1000 | 
40 | 
550 | 
1175 | 
1120 | 
1080 | 
5 | 
36 | 
28-?30 | 
  | 
400 | 
990 | 
  |  
| PN1.0MPa |  
| 40 | 
1 1/2 | 
106 | 
145 | 
110 | 
85 | 
3 | 
18 | 
4-?18 | 
160 | 
  | 
140 | 
10 |  
| 50 | 
2 | 
108 | 
160 | 
125 | 
100 | 
3 | 
20 | 
4-?18 | 
200 | 
  | 
160 | 
12 |  
| 65 | 
2 1/2 | 
112 | 
180 | 
145 | 
120 | 
3 | 
20 | 
4-?18 | 
250 | 
  | 
165 | 
14 |  
| 80 | 
3 | 
114 | 
195 | 
160 | 
135 | 
3 | 
22 | 
4-?18 | 
250 | 
  | 
170 | 
16 |  
| 100 | 
4 | 
127 | 
215 | 
180 | 
155 | 
3 | 
22 | 
8-?18 | 
300 | 
  | 
180 | 
18 |  
| 125 | 
5 | 
140 | 
245 | 
210 | 
185 | 
3 | 
24 | 
8-?18 | 
300 | 
  | 
275 | 
20 |  
| 150 | 
6 | 
140 | 
280 | 
240 | 
210 | 
3 | 
24 | 
8-?23 | 
  | 
200 | 
295 | 
38 |  
| 200 | 
8 | 
152 | 
335 | 
295 | 
265 | 
3 | 
26 | 
8-?23 | 
  | 
200 | 
320 | 
74 |  
| 250 | 
10 | 
250 | 
390 | 
350 | 
320 | 
3 | 
28 | 
12-?23 | 
  | 
240 | 
385 | 
105 |  
| 300 | 
12 | 
270 | 
440 | 
400 | 
368 | 
4 | 
28 | 
12-?23 | 
  | 
240 | 
390 | 
142 |  
| 350 | 
14 | 
290 | 
500 | 
460 | 
428 | 
4 | 
30 | 
16-?23 | 
  | 
240 | 
460 | 
179 |  
| 400 | 
16 | 
310 | 
565 | 
515 | 
482 | 
4 | 
32 | 
16-?25 | 
  | 
280 | 
510 | 
220 |  
| 450 | 
18 | 
330 | 
615 | 
565 | 
532 | 
4 | 
32 | 
20-?25 | 
  | 
280 | 
540 | 
268 |  
| 500 | 
20 | 
350 | 
380 | 
620 | 
585 | 
4 | 
34 | 
20-?25 | 
  | 
320 | 
570 | 
378 |  
| 600 | 
24 | 
390 | 
780 | 
725 | 
685 | 
5 | 
36 | 
20-?30 | 
  | 
320 | 
660 | 
608 |  
| 700 | 
28 | 
430 | 
895 | 
840 | 
800 | 
5 | 
40 | 
20-?30 | 
  | 
360 | 
710 | 
1050 |  
| 800 | 
32 | 
470 | 
1010 | 
950 | 
905 | 
5 | 
44 | 
24-?34 | 
  | 
360 | 
780 | 
1320 |  
| 900 | 
36 | 
510 | 
1110 | 
1050 | 
1005 | 
5 | 
46 | 
28-?34 | 
  | 
380 | 
885 | 
1795 |  
| 1000 | 
40 | 
550 | 
1220 | 
1160 | 
1115 | 
5 | 
50 | 
28-?34 | 
  | 
400 | 
990 | 
1900 |    
【结构图片】 
 | 
   
  
    | 【我要订购】   【关闭】 | 
   
  
  | 
                     
                    | 
               
              | 
         
        |